Commercial Products
-
Circuit Breaker Mechanism Motors
Circuit Breaker Mechanism MotorsImage Title Description Documents Type 5240 Serial Motor used on medium voltage circuit breakers for retensioning of spring.Motor can be produced for various voltages
Product Voltage (Vdc) Power (W) Current (A) Speed (rpm) Duty Cycle(%) 5240 24 100 8 8000 10 5240 48 100 4 8000 10 5240 110 100 2 8000 10 5240 220 100 1 8000 10 Type 7030 Serial Motor used on medium voltage circuit breakers for retensioning of spring.Motor can be produced for various voltages
Product Voltage (Vdc) Power (W) Current (A) Speed (rpm) Duty Cycle (%) 7030 24 200 18 8000 10 7030 48 200 9 8000 10 7030 60 200 6 8000 10 7030 110 200 4 8000 10 7030 220 200 2 8000 10
7030(3).jpg (446.07 KB)
Type 7040 Serial Motor used on medium voltage circuit breakers for retensioning of spring.Motor can be produced for various voltages.
Product Voltage (Vdc) Power (W) Current (A) Speed (rpm) Duty Cycle(%) 7040 24 200 14 10000 10 7040 48 200 7 10000 10 7040 110 200 3 10000 10 7040 220 200 1,5 10000 10
7040(1).jpg (715.9 KB)
Type 7050 Serial Motor used on medium voltage circuit breakers for retensioning of spring.Motor can be produced for various voltages
Product Voltage (Vdc) Power (W) Current (A) Speed (rpm) DutyCycle(%) 7050 24 300 17 7500 10 7050 48 300 8,5 7500 10 7050 110 300 3,6 7500 10 7050 220 300 1,8 7500 10
7050(1).jpg (541.9 KB)
Type 8045 Serial Motor used on medium voltage circuit breakers for retensioning of spring.Motor can be produced for various voltages
Product Voltage(Vdc) Power (W) Current (A) Speed (rpm) DutyCycle(%) 8045 24 300-350 22 8000 10 8045 48 300-350 11 8000 10 8045 110 300-350 5 8000 10 8045 220 300-350 2,5 8000 10 Type 9450-137 and Type 9450-147 Serial AC/DC motor used on medium voltage circuit breakers for retensioning of spring.Motor can be produced for various voltages.
Prduct Voltage (Vac) Power (W) Current (A) Speed (rpm) Duty Cycle (%) 9450-137 216 650 6 16500 10 9450-147 150 480 6 12000 10
9450-137(1).jpg (468.1 KB)
Type 12080 Compund Motor Compound motor used on medium voltage circuit breakers for retensioning of spring.Motor can be produced for various voltages.
Product Volyage (Vdc) Power (W) Current (A) Speed (rpm) Duty Cycle (%) 12080 110 650 11 1300 10 12080 220 650 5,5 1300 10
12080(2).jpg (687.79 KB)
-
Door Opener Mechanism Motors
Door Opener Mechanism MotorsImage Title Description Documents Permanent Magnet DC Motor with reduction box and encoder (4240 Type, 1/191, 24VDC) Thanks to the high reduction, the reducer shaft rotates at 15 rpm and provides high torque. It is suitable for door opening-closing automation.
Reduction: 1/191 Encoder: 1/100 2-channels
Voltage (Vdc) Power (W) Current (A) Speed (rpm) Duty Cycle (%) 24 100 4 15,7 20
4240 i=1-191 REDÜKTÖRLÜ MOTOR-1.jpg (1.52 MB)
Permanent Magnet DC Motor with reduction box and encoder (Type 4225 PL100) Motor field windings are replaced by permanent magnets. Motor performs higher starting moments with respect to AC motors,at variable and constant speeds. Speed-Torque performance is linear.Motors are integrated with 20,40 or 100 pulse/rev optical encoders. Used on Elevator Door Opener Mechanism Motors, Automatic Doors, Valve Drivers, Welding Machines, Automation Projects, Packing Systems and Industrial Applications.
Reduction : 1/27 Encoder : 2 Channel - 100 Pulse
Voltage (Vdc) Power (W) Current (A) Speed (rpm) Duty Cycle (%) 24 70 4 120 S3 - 30 Permanent Magnet DC Motor with reduction box and encoder (Type 4225 and Type 4240) Motor field windings are replaced by permanent magnets. Motor performs higher starting moments with respect to AC motors,at variable and constant speeds. Speed-Torque performance is linear.Motors are integrated with 20,40 or 100 pulse/rev optical encoders. Used on Packing Systems, Automatic Doors, Valve Drivers, Welding Machines, Automation Projects
Product Voltage (Vdc) Power (W) Current (A) Speed (rpm) Duty Cycle (%) 4225 24 60 4 200 30 4240 24 90 7,5 200 30
4225_sc.jpg (640.61 KB)
Planetary Gear PM DC Motor (Type 4240) Motor field windings are replaced by permanent magnets. Motor performs higher starting moments with respect to AC motors,at variable and constant speeds. Speed-Torque performance is linear.Motors are integrated with 20,40 or 100 pulse/rev optical encoders.Folding Doors for Lift's Cabin and Industrial Applications.
Reduction : 1/11
Product Voltage (Vdc) Power (W) Current (A) Speed (rpm) Duty Cycle (%) 4240 24 100 5 120 S3 - 30 Planet Type Gearbox with PM DC Motor (Type 4255) For automatic rolling of the top-covers (tarpaulin) used in the back of the trucks.
Reduction : 1/181 (3 stage planet)
Product Voltage (Vdc) Power (W) Current (A) Speed (rpm) Torque Duty Cycle (%) 4255 24 150 5 19 35 Nm. S3 - 30
4255_branda_motoru_1-181_planet_red_29.02.16.gif (375.74 KB)
Permanent Magnet DC Motor with reduction box and encoder (Type 5540) Motor field windings are replaced by permanent magnets. Motor performs higher starting moments with respect to AC motors,at variable and constant speeds.Speed-Torque performance is linear.Motors are integrated with 20,40 or 100 pulse/rev optical encoders. Used on packing Systems, Automatic Doors, Valve Drivers, Welding Machines, Automation Projects.
Product Voltage (Vdc) Power (W) Current (A) Speed (rpm) Duty Cycle (%) 5540 48 120 4 250 40
5540(1).jpg (627.09 KB)
Permanent Magnet DC Motor with encoder (Type 7640) Motor field windings are replaced by permanent magnets. Motor performs higher starting moments with respect to AC motors,at variable and constant speeds. Speed-Torque performance is linear.Motors are integrated with 20,40 or 100 pulse/rev optical encoders. Used on Packing Systems, Automatic Doors, Valve Drivers, Welding Machines, Automation Projects.
Product Voltage (Vdc) Power (W) Current (A) Speed (rpm) Duty Cycle (%) 7640 24 120 8 1000 100
7640(1).jpg (403.33 KB)
-
Electric Vehicle Motors
Electric Vehicle MotorsImage Title Description Documents 8,5 kW In Wheel Electric Motor (HUB Motor) The motor fits into the unused volume in the vehicle wheel. The in-wheel motor,can be both applied to used cars without any modifications to the vehicle architecture as well as new cars in production. It is a Brushless DC motor and has multiple poles and neodymium-iron-boron magnets are employed. From the document link you can download the detailed product brochure.
Max Torque 120 Nm.
Product Voltage (Vdc) Power (kW) Current (A) Speed (rpm) 30055 60/72/84 8,5 130 720
8,5 kW HUB Motor Technical Drawing.jpg (609.2 KB)
15 kW BLDC Motor (Vehicle fan motor) Brushless DC Motor, has multiple poles and neodymium-iron-boron magnets are employed.Used as fan motor on vehicle.
Product Voltage (Vdc) Power (kW) Current (A) Speed (rpm) 21540 144 15 125-150 3200
15kw.jpg (430.45 KB)
45 kW motor Brushless DC Motor, has multiple poles and neodymium-iron-boron magnets are employed to provide high energy density.It is mounted directly on vehicle transmission.
Product Voltage (Vdc) Power (kW) Current (A) Speed (rpm) 21575 144 45 350 5500
45kw(1).jpg (479.17 KB)
-
Special Purpose Motors
Special Purpose MotorsImage Title Description Documents Double Gearbox PM DC Motor (Type 5550) Variable speed drive motor of a pizza cooking conveyor.
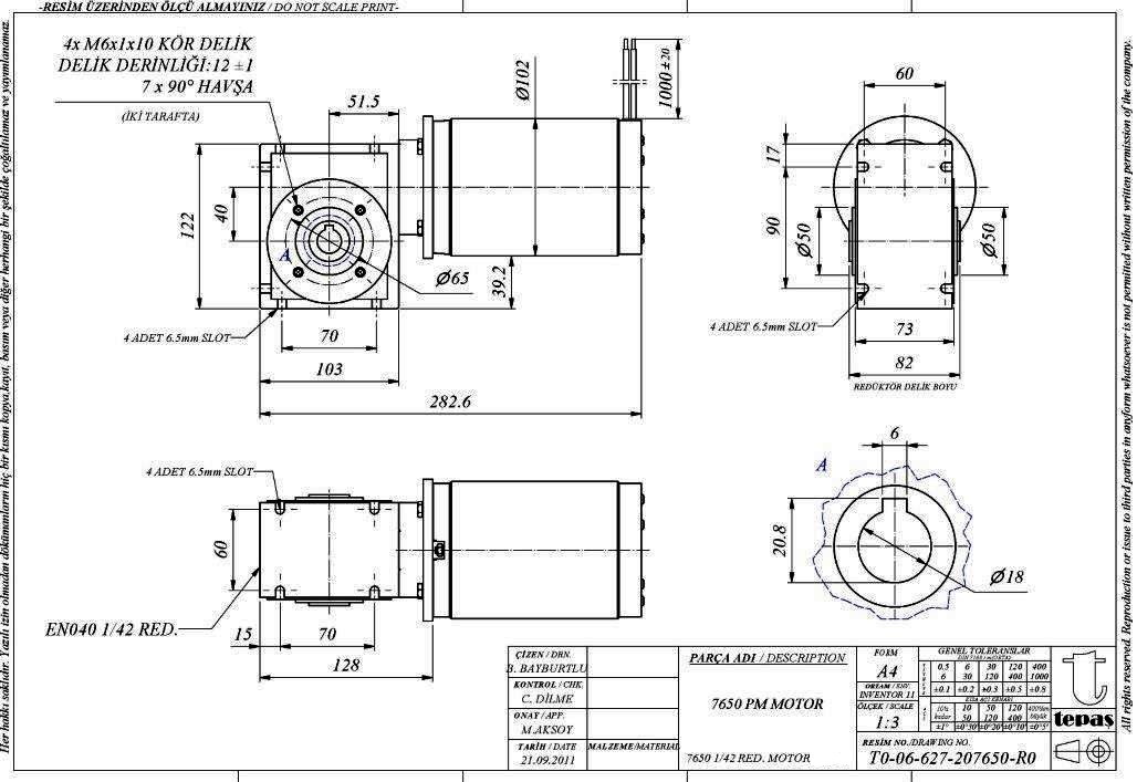
Voltage (Vdc) Power (W) Current (A) Speed (rpm) Reduction Duty Cycle( %) 24 120 5 3,4 1/500 S1 Permanent Magnet Motor with 4 Poles (Type 7650) Used on unmanned automatic material handling vehicles in production plants.
Voltage(Vdc) Power(W) Current(A) Speed(rpm) Duty Cycle (%) Protection Class Isolation Class 24 250 12 2400 S1 IP44 F
4kutup.jpg (154.58 KB)
High Speed AC Motor (Type 12075) The motor is used to vibrate the concrete while pouring in order to eliminate the air bubbles.
Voltage (VAC) Power (W) Current (A) Speed (rpm) Duty Cycle (%) 220 2200 10 16800 S3 - 50
120x75__20.04.16.jpg (827.3 KB)
Railway Switch Shift Motor Used on Railways as a Switch Shift Motor. Permanent Magnet DC Motor with integrated planetary gearbox
Voltage(Vdc) Power (W) Current (A) Speed (rpm) Duty Cycle (%) 24 220 12 1700 50
ray_makas_motoru.jpg (487.79 KB)
Barrier Actuator Motor Used on parking areas,gardens etc. in and out openings for actuating barriers. Capacitor start and run type AC Induction Motor.Output shaft incorparates a worm gear and ball bearings at both ends.Motor can run at both diractions.
Voltage (Vac) Power (W) Current (A) Speed (rpm) Duty Cycle (%) 220 300 1,2 2800 100
bariyer_motoru.jpg (631.33 KB)
-
Medical Equipment Motors
Medical Equipment MotorsImage Title Description Documents Fan Motor (Type 6120) E - type shaded pole motor. Used as a fan motor on cooling and ventilating devices as a fan motor.
Product Voltage (Vac) Power (W) Current (A) Speed (rpm) Duty Cycle (%) 6120 220 30 0,24 2850 100
6120(1).jpg (454.75 KB)
Lab. Centrifuge Motor (Asynchronous) Type 7330 The motor is designed for speed control (inverter) and has thermal overload protection. Used on medical equipment and laboratory centrifuges.anılır.
Product Voltage (Vac) Power (W) Current (A) Speed (rpm) Duty Cycle (%) 7330 3x220 100 0,50 5000 100
7330(1).jpg (586.99 KB)
Vibrating Mixer Motor (Type 7330 R) Monophase Capacitor Start and Run Motor with integrated gearbox. Motor is thermally protected.
Redüktör çıkış devri 250 d/dak
Kondensator 3 uF/400 V
Product Voltage (Vac) Power (W) Current (A) Speed (rpm) Duty Cycle (%) 7330 R 220 100 0,35 2950 100 Centrifuge Motor (Asenkron) Type 9040 and Type 9060 Threephase asynchronous motor designed for electronic speed control (inverter) and has thermal overload protection.Used on medical equipment and Lab Centrifuges.
Product Voltage (Vac) Power (W) Current (A) Speed (rpm) Duty Cycle (%) 9040 3x220 400 2 14000 100 9060 3x220 600 2.8 14000 100
9060(1).jpg (614.67 KB)
-
Industrial PM DC Motors
Industrial PM DC MotorsImage Title Description Documents Drone Motor for Industrial Use It is a BLDC motor which is designed to be used in industrial drones for agriculture, cinema, search & rescue and cargo. Thanks to its radial and axial bearings that provide high efficiency by minimizing the friction caused by the propeller lifting load. Thus, longer flight times are obtained. It is possible to design and manufacture in the desired sizes and features.
Drone Motor Technical Drawing.jpg (136.53 KB)
TYPE 55 PM DC MOTORS (55XX) Please refer to the document brochure for the wide product range and electrical properites of TYPE 55 TEPAŞ PM DC MOTORS.
Tip_55_PM.jpg (122.37 KB)
TYPE 76 PM DC MOTORS (76XX) Please refer to the document brochure for the wide product range and electrical properites of TYPE 76 TEPAŞ PM DC MOTORS.
Tip_76_PM.jpg (120.47 KB)
TYPE 76 PMS DC MOTORS (76XX) Please refer to the document brochure for the wide product range and electrical properites of TYPE 76 TEPAŞ PMS DC MOTORS.
Tip_76_PMS.jpg (173.52 KB)
TYPE 84 PM DC MOTORS (84XX) Please refer to the document brochure for the wide product range and electrical properites of TYPE 84 TEPAŞ PM DC MOTORS.
Tip_84_PM.jpg (127.16 KB)






























